www.xzjt.com
网站首页
公司简介
产品与技术
资讯动态
服务支持
客户反馈
联系我们
产品分类快速导航
旋转接头
H型水介质旋转接头
Q型蒸汽介质旋转接头
D型混合介质旋转接头
高温导热油旋转接头
行业专用旋转接头
多通路旋转接头
旋转接头配件
金属软管
波纹补偿器
上海产品
新闻中心
·关于我公司在网上发布产品宣
·金旋公司2016春节放假通
·金旋公司2015年国庆节放
·看准工业4.0,上海金旋投
·祝贺金旋公司建厂二十周年(
·旋转接头安装使用说明
详细说明
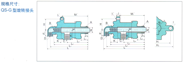
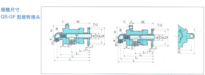
QS-G/QS-GF双向内管固定型旋转接头
结构特点
其结构简单、密封性能稳定、维护方便,是同类产品中应用最广泛的一种。其结构如图所示:外管体(9)直接接到辊子或烘筒上,为主要的旋转部件;经过精加工的外管体球面、底盖(10)底平面和侵渍石墨球面密封环(3)共同组成密封可靠的动密封摩擦副;球面密封环在其壳体(6)内的环形空间中滑动,加之无油轴承(5)与壳体的紧密配合,使旋转接头自由支撑,故对装机精度要求不高;球面密封环磨损后借助于弹簧(7)的预压力随时得到补偿,补偿时壳体缓缓向后移动,并可通过外管体的刻线观察到密封件的磨损程度;当蒸汽、水或其他介质流经球面密封环和无油轴承时,形成一层很薄的液膜,提供密封和润滑,从而减轻了摩擦和磨损,延长了使用寿命。另外,壳体上采用双支耳支承,使大规模旋转接头支承更平稳,密封更稳定。
使用参数
最高转速:100RPM
最高温度:220℃
最高压力:1.8MPa
适用介质:水、热水、蒸汽、导热油等。
注意:随转速、温度、压力的不同,使用极限值也不相同。
特殊情况欢迎来电垂询
订货信息
应包括以下方面:
1.完整的编号——可识别旋转接头型号、结构、规格、尺寸。
QS-G—球面密封结构,双向流通内管固定螺纹连接式;
QS-GF—球面密封结构,双向流通内管固定法兰连接式。
2.若订购外管体或内管螺纹连接式旋转接头,请注明其螺纹的左、右旋向。
3.旋转接头的使用必须配用金属软管。
4.订购时,应根据应用情况,配备一定数量的易损件——球面密封环。
5.特殊要求请注明。
【打印】
【关闭】
公司公告:
金旋公司生产的所有产品自发货之日起,在360天内若出现产品自身质量问题,我公司将负责免费维修或调换
版权所有:滕州市金旋波纹管有限责任公司 网站备案号:
鲁ICP备19051979号-2
销售热线: 0632-5553666 5553777 5553888 5553999 5585138 5699055 传真:0632-5586527